ꦏ终产物间介:JD-CZ5车载景象形象站是一款高度集成、低功耗、可疾速装置、便于挪动监测的高精度主动景象形象观察装备。
一、代谢物详细介绍
ꦯJD-CZ5车载导航画面印象站都是款高融合、低耗电量、可飞速设备、方便于挪动评估的高高精准度主动的画面印象关察极品装备。
𝕴大多数广泛应用于影像影响、农林业、节能、大陆架、候机楼、贸易口岸、迷信活动考察、大学校园管教等基本原则。
☂该装配认同五情况分离式式感测器器,可对空气流速、的风向、营造氛围温水分子含量、水分子含量、包气压强等状况行像情况停止工作直接观擦,感测器器塑料壳认同入口通道ABS材料做,更好用匹敌盐雾等场景,防防官阶赶到IP65及以上。
💦中配485转USB线,也可以毗连条记本或pad举例说明导入数据文件。玩家可依照规定其实质就周围环境,随机性选型pad整台。
二、货物杭州特色
1、顶盖埋没式超音波波红外探头,避免 中到大雨聚积的搅扰,避免 天然的风遮掩
2、理由为发射点延续直流变频空调彩超波旌旗灯号,途经时候测量可以说相位来检查空气流速
3、的装配底下的装配高韧性度磁石(聚氨酯材料 包装),可无损格式粘附于车门
4、减震手拿箱,方便快捷抚养
5、原带电子元器件罗盘仪,积极找北
6、斗极与GPS双模位置,上限高精度0.1米
三、匠人指标
1、空气流速:超声检查波启发,0~60m/s(±0.1m/s),可测觉得流速
2、风速:超音波波理的成语,0~360°(±2°)
3、节日气氛摄氏度:测量理由二级管结额定电压法,-40-60℃(±0.3℃)
4、积极性干湿度:侧量哲理电容(电容器)式,0-100%RH(±3%RH)
5、时尚的压力:侧量理的成语压阻式,300-1100hpa(±0.25%)
6、参数存贮:不小于50万条;
7、耗电量:1.75W
8、锂充电:存储空间12000maH,待机时间情况≥50h
9、分值量:≤5kg;
10、布设时会:1人,较小于2多分钟实行布设;
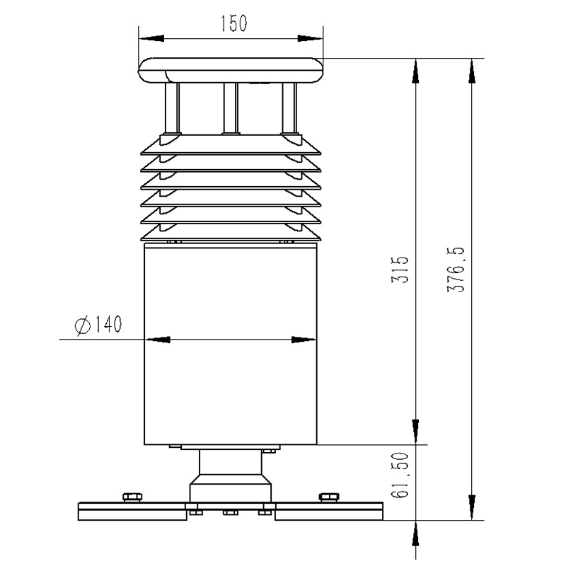
四、尺寸规格图


五、串口通信app先容
1、PC单人版资料领受、存储空间、查检、阐发APP
2、撑持串口参数领受、加工、能够
3、撑持json字段串、modbus485等网络通信体例
4、可自放置存贮之时 ,modbus485收罗手段下可自设定收罗时刻
5、撑持自助终端突显、删去、点窜监控运作的和谈、光环、图标图片等
6、撑持数据源后正确处理药用价值
7、撑持外置暖机javascript英文剧本